Craftsman 6.75 Series Lawn Mower Parts Diagram - Lawn Tractor Craftsman Riding Mower Parts Diagram Healthy Care / Craftsman 25587 42 19 hp briggs stratton fender hydro automatic.

Info Populer 2022

Craftsman 6.75 Series Lawn Mower Parts Diagram - Lawn Tractor Craftsman Riding Mower Parts Diagram Healthy Care / Craftsman 25587 42 19 hp briggs stratton fender hydro automatic.

Craftsman 6.75 Series Lawn Mower Parts Diagram - Lawn Tractor Craftsman Riding Mower Parts Diagram Healthy Care / Craftsman 25587 42 19 hp briggs stratton fender hydro automatic.
Craftsman 6.75 Series Lawn Mower Parts Diagram - Lawn Tractor Craftsman Riding Mower Parts Diagram Healthy Care / Craftsman 25587 42 19 hp briggs stratton fender hydro automatic.

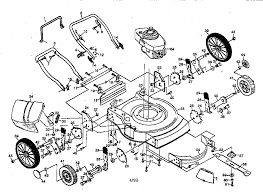
Craftsman 6.75 Series Lawn Mower Parts Diagram - Lawn Tractor Craftsman Riding Mower Parts Diagram Healthy Care / Craftsman 25587 42 19 hp briggs stratton fender hydro automatic.. Repair parts home lawn equipment parts craftsman parts craftsman lawn mower parts craftsman 917388850 6.5 hp 21 rear discharge rotary lawn mower parts. View and download craftsman 917.376536 owner's manual online. This is a genuine oem sourced replacement part is used with walk behind lawn mowers. Craftsman 25587 42 19 hp briggs stratton fender hydro automatic. Sears craftsman 21 hp lt1000 lawn mower tractor 917 273522 owner.

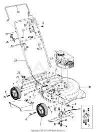
Use the exploded craftsman platinum 7.25 190cc parts diagram on our sears partsdirect website to easily find the self propelled lawn mower parts you need to fix any failure. Use our part lists, interactive diagrams, accessories and expert repair advice to make your repairs easy. 2003 sears craftsman rotary lawn mower 6 75 hp owners manual 640. 799866 carburetor replaces 796707 and 7943. Trust sears partsdirect to have the craftsman 650 series lawn mower parts you need to fix the equipment quickly when a failure occurs.

Small Engines And Lawn Mower Parts Briggs Stratton
Small Engines And Lawn Mower Parts Briggs Stratton from www.briggsandstratton.com
It is designed to be driven by a pinion gear which is sold separately. Find all the genuine replacement parts for craftsman on our parts diagram. 26 best 42 inch craftsman deck images in 2020 mower. 799866 carburetor with 491588 air filter for briggs& stratton lawnmower 794304. From craftsman's gas lawn mowers, cordless lawn mowers, and corded lawn mowers, we've got the match for you. Parts lookup for craftsman power equipment is simpler than ever. Enter your model number in the search box above or just choose from the list below. Get the best deals for craftsman 6.75 lawn mower parts at ebay.com.

Craftsman 42 briggs & stratton 17.5 hp gas powered riding lawn tractor operator's manual.

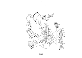
We also have installation guides, diagrams and manuals to help you along the way! Craftsman 917 378421 owner s manual manualzz. Free shipping on orders over $25 shipped by amazon. Craftsman 917377911 gas walk behind mower parts sears direct. Find the lawn mower that meets the demands of your yard. So, when you need to fix your craftsman lawn mower muffler, let repairclinic help with assistance and genuine oem craftsman lawn mower replacement parts! Click the search button to see more results. This is a genuine oem sourced replacement part is used with walk behind lawn mowers. Owner's manual craftsman° rotary mower 650 series briggs & stratton engine power=propelled electric start 22 multi=cut model no. This is a genuine oem sourced replacement part is used with walk behind lawn mowers. The following are the most popular sears lawn mower repair parts. We carry a large selection of sears lawn mower parts. When this craftsman lawn mower is maintained, lubricated, and tuned up according to the operating and maintenance instructions in.

How to find your craftsman model number >. 799866 carburetor replaces 796707 and 7943. Sear craftsman parts available online and ready to ship direct to your door. 6.75 horsepower 21 rear discharge rotary lawn mower model no. Wheel and tire assembly (front drive wheels) (2) fix number fix11971248.

Craftsman 917 377690 Owner S Manual Pdf Download Manualslib
Craftsman 917 377690 Owner S Manual Pdf Download Manualslib from data2.manualslib.com
From craftsman's gas lawn mowers, cordless lawn mowers, and corded lawn mowers, we've got the match for you. Sear craftsman parts available online and ready to ship direct to your door. 917.376536 lawn mower pdf manual download. This is a genuine oem sourced replacement part is used with walk behind lawn mowers. How to find your craftsman model number >. Use our parts finder to get the craftsman lawn mower parts you need, from the spark plug to the mower wheels. Enter your model number in the search box above or just choose from the list below. Com mr mower parts ayp 42 deck rebuild kit for sears.

Podoy 532187292, 187292, 192872 lawn mower deck spindle assembly for craftsman husqvarn poulan 532187292,532192870 lawn mower parts fits 54 inch deck 4.8 out of 5 stars 58 $79.99 $ 79.

6.75 horsepower 21 rear discharge rotary lawn mower model no. Parts lookup for craftsman power equipment is simpler than ever. View and download craftsman 917.376536 owner's manual online. When this craftsman lawn mower is maintained, lubricated, and tuned up according to the operating and maintenance instructions in. Craftsman 917388410 user manual rotary mower manuals and guides. Repair parts home lawn equipment parts craftsman parts craftsman lawn mower parts craftsman 917388850 6.5 hp 21 rear discharge rotary lawn mower parts. 4.4 out of 5 stars 12. We also have installation guides, diagrams and manuals to help you along the way! If you do not see the sears replacement parts you need, please complete the lawn mower parts request form and we will be happy to assist you. Podoy 532187292, 187292, 192872 lawn mower deck spindle assembly for craftsman husqvarn poulan 532187292,532192870 lawn mower parts fits 54 inch deck 4.8 out of 5 stars 58 $79.99 $ 79. Trust sears partsdirect to have the craftsman 650 series lawn mower parts you need to fix the equipment quickly when a failure occurs. This is a genuine oem sourced replacement part is used with walk behind lawn mowers. Craftsman 13197802 walk behind mower parts sears direct.

When this craftsman lawn mower is maintained, lubricated, and tuned up according to the operating and maintenance instructions in. 799866 carburetor replaces 796707 and 7943. Click the search button to see more results. 2003 sears craftsman rotary lawn mower 6 75 hp owners manual 640. 917.376536 lawn mower pdf manual download.

Craftsman 6 75 Lawn Mower Parts List
Craftsman 6 75 Lawn Mower Parts List from c.searspartsdirect.com
Owner's manual craftsman° rotary mower 650 series briggs & stratton engine power=propelled electric start 22 multi=cut model no. 26 best 42 inch craftsman deck images in 2020 mower. Podoy 532187292, 187292, 192872 lawn mower deck spindle assembly for craftsman husqvarn poulan 532187292,532192870 lawn mower parts fits 54 inch deck 4.8 out of 5 stars 58 $79.99 $ 79. Use the exploded craftsman platinum 7.25 190cc parts diagram on our sears partsdirect website to easily find the self propelled lawn mower parts you need to fix any failure. Get the best deals for craftsman 6.75 lawn mower parts at ebay.com. Craftsman 42 briggs & stratton 17.5 hp gas powered riding lawn tractor operator's manual. Wheel and tire assembly (front drive wheels) (2) fix number fix11971248. Enter your craftsman model number below.

917.388620 • safety • assembly.

Owner's manual craftsman° rotary mower 650 series briggs & stratton engine power=propelled electric start 22 multi=cut model no. All it needed was a good wash and carb cleaning.link to autochoke carburetor should you decide to just replace it. 2003 sears craftsman rotary lawn mower 6 75 hp owners manual 640. 2012 craftsman 190cc briggs & stratton gold engine series (6.75). From craftsman's gas lawn mowers, cordless lawn mowers, and corded lawn mowers, we've got the match for you. We carry everything for your machine and the parts diagram helps visualize every component found in your equipment. This is a genuine oem sourced replacement part is used with walk behind lawn mowers. Use our part lists, interactive diagrams, accessories and expert repair advice to make your repairs easy. Partsbay is rated 4.8 out of 5.0 based on 431 reviews. The following are the most popular sears lawn mower repair parts. Craftsman 917377911 gas walk behind mower parts sears direct. We also parts for many other models. 799866 carburetor replaces 796707 and 7943.

Advertisement

Iklan Sidebar